Задвижка дисковая общепромышленная полнопроходная состоит из полукорпусов поз. 1 и поз. 2, жёстко скреплённых между собой через промежуточное кольцо поз. 10, между которыми размещён дис-ковый затвор (шибер) поз. 4. Поворот шибера поз. 4 осуществляется вал-шестерней поз.3, входящей в зацепление с зубчатым сектором шибера. При повороте рукоятки поз. 8 шибер поз. 4 проворачивается вокруг оси поз.7 и таким образом открывает или закрывает проходное отверстие задвижки. При этом указатель поз. 5 выдвигается или задвигается в корпус указателя поз. 11, обеспечивая совпаде-ние торца указателя поз. 5 с соответствующей надписью на корпусе указателя поз. 11. Перевод шибера из открытого положения в закрытое соответствует 1,5-2,5 оборота вал-шестерни (от упора до упора). Уплотнение шибера обеспечивается двумя седлами поз. 9 установленными в полукорпусах поз. 1 и поз. 2, поджатые к поверхности шибера пружинными элементами.
- Условные проходы, мм — 50; 80; 100; 150
- Рабочее давление, кг/см² — 16; 25; 40; 63; 160; 250
- Присоединительные размеры фланцев по ГОСТ 12815 Вид климатического исполнения УХЛ(ХЛ) по ГОСТ 15150.
- Температура окружающего воздуха при эксплуата-ции от минус 60°С до плюс 40 °С
- Рабочая среда — вода техническая, нефть, нефтяная эмульсия. Температура рабочей среды — не более плюс 120 ºС.
- Рабочее положение задвижки — открыто.
- Направление подачи рабочей среды — любое.
- Способ управления — ручной.
- Присоединение к трубопроводу — фланцевое.
- Полный срок службы, не менее 15 лет.
- Наработка на отказ, не менее 600 циклов.
- Средний срок службы до капитального ремонта, не менее 5 лет.
![]() |
|
Основные длины и размеры фланцев задвижек общепромышленного назначения
Строительные длины задвижек
|
Рабочее давление, PN кг/см2 |
Условный проход, мм | |||
|
50 |
80 |
100 |
150 | |
| PN 16 |
180 |
210 |
230 |
280 |
| PN 25 |
216 |
283 |
305 |
403 |
| PN 40 |
216 |
283 |
305 |
403 |
| PN 63 |
267 |
318 |
356 |
444 |
| PN 160 (новые) |
292 |
356 |
432 |
559 |
| PN 160 (сущест.) |
300 |
390 |
450 |
559 |
| PN 250 |
350 |
470 |
550 |
- |
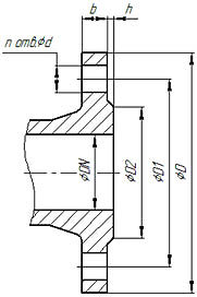
Типоразмеры фланцев задвижки на PN 16
|
DN, мм |
D, мм |
D1, мм |
D2, мм |
h, мм |
b, мм |
n, мм |
d, мм |
|
50 |
160 |
125 |
102 |
3 |
14 |
4 |
18 |
|
80 |
195 |
160 |
133 |
3 |
17 |
4 |
18 |
|
100 |
215 |
180 |
158 |
3 |
17 |
8 |
18 |
|
150 |
280 |
240 |
212 |
3 |
21 |
8 |
22 |
Типоразмеры фланцев задвижек на PN 25 и PN 40
|
DN, мм |
D, мм |
D1, мм |
D2, мм |
h, мм |
b, мм |
n, мм |
d, мм |
|
50 |
160 |
125 |
87 |
4 |
17 |
4 |
18 |
|
80 |
195 |
160 |
120 |
4 |
19 |
8 |
18 |
|
100 |
230 |
190 |
149 |
4 |
21 |
8 |
22 |
|
150 |
300 |
250 |
203 |
4 |
27 |
8 |
26 |
|
Фланцы на задвижки с PN16 |
Фланцы на задвижки с PN 25, 40 |
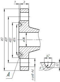
Типоразмеры фланцев задвижки на PN 63
|
DN, мм |
D, мм |
D1, мм |
D2, мм |
D4, мм |
h, мм |
b, мм |
n, мм |
d, мм |
b2, мм |
h3, мм |
r, мм |
|
50 |
175 |
135 |
102 |
85 |
3 |
23 |
4 |
22 |
12 |
8 |
4 |
|
80 |
210 |
170 |
133 |
115 |
3 |
27 |
8 |
22 |
12 |
8 |
4 |
|
100 |
250 |
200 |
170 |
145 |
3 |
29 |
8 |
26 |
12 |
8 |
4 |
|
150 |
340 |
280 |
240 |
205 |
3 |
35 |
8 |
33 |
12 |
8 |
4 |
Типоразмеры фланцев задвижки на PN 160
|
DN, мм |
D, мм |
D1, мм |
D2, мм |
D4, мм |
h, мм |
b, мм |
n, мм |
d, мм |
b2, мм |
h3, мм |
r, мм |
|
50 |
195 |
145 |
115 |
95 |
3 |
27 |
4 |
26 |
12 |
8 |
4 |
|
80 |
230 |
180 |
150 |
130 |
3 |
33 |
8 |
26 |
12 |
8 |
4 |
|
100 |
265 |
210 |
175 |
145 |
3 |
37 |
8 |
30 |
12 |
8 |
4 |
|
150 |
350 |
290 |
250 |
205 |
3 |
47 |
12 |
33 |
14 |
10 |
4,2 |
Типоразмеры фланцев задвижки на PN 250
|
DN, мм |
D, мм |
D1, мм |
D4, мм |
h, мм |
b, мм |
n, мм |
d, мм |
b2, мм |
h3, мм |
r, мм |
| 50 | 195 | 160 | 90 | 3 | 40 | 8 | 22 | 12 | 8 | 0,8 |
| 80 | 242 | 168 | 123,8 | 3 | 46 | 8 | 25 | 12 | 8 | 0,8 |
| 100 | 292 | 235 | 149,2 | 3 | 53 | 8 | 32 | 12 | 8 | 0,8 |
|
Фланцы на задвижки с PN 63, 160 |
Фланцы на задвижки с PN 250 |
Вернуться к общему списку




